05.01.13

Among the many talents of Sam Wolk (great dublab volunteer, builder of guitar pedals, great DJ, cool style, etc) he also makes music. In sharing this song, he sent us a very long email explaining part of the process and theory behind these sounds. Although interesting, we just went ahead and pressed play, only to be transported to a semi dark apartment living room with telephones speaking to no one while the wind coming through the open balcony doors make the curtains dance to the sound.
Listen to the songs behind this project here.
Check out this separate demo of Sam’s for the Spacemen 3/BJM fans out there.
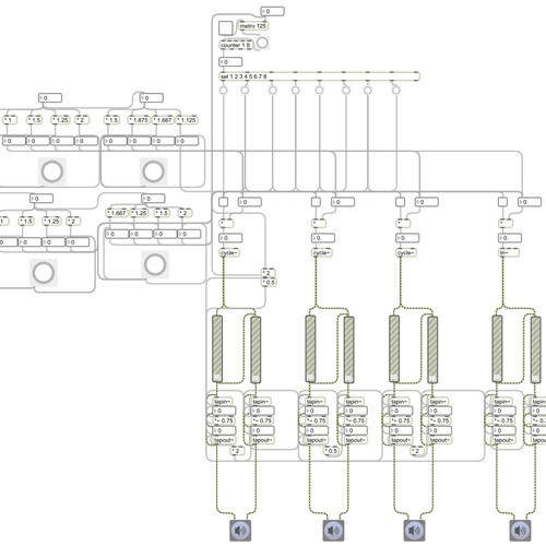
Here is what Sam had to say about his MSP patches (see the image for the “Holodeck” patch above!) –
The basic principles behind each of the max’msp “patches” I built –
1) build a sequencer in max/msp – this determines a sort of “first order” rhythm, triggering the oscillators described in the next step, and each sequencer remains constant for the duration of the piece – i.e. this part, once I’ve gotten a pattern I like, is wholly generative. The basic way this works is by first creating a metronome to control a counter that will cycle from 1-8. Every time a position is counted (for instance each time it hits “1” or “7”), all the oscillators (see below) hooked up to that position switch states – i.e. if they are on (and thus producing a note) they turn off, if they are off they turn on. Each oscillator may be hooked up to multiple numbers (and most likely is) so that it turns on and off multiple times per cycle – if it is hooked up to an odd number of positions as in “2” “4” and “7”), then the period of that oscillator’s rhythm is 2 cycles (i.e. every 2 cycles that pattern of turning on and off will repeat itself – this is because if an oscillator stats one cycle off, it will turn on then off then back on and start the next cycle on). If an oscillator is hooked up to an even number of positions (i.e. “2” “4” “6” and “8”) then at the end of each cycle things will be exactly as they started so the period is just 1 cycle. So really, even though there are only 8 beats in one cycle, the first order rhythm is really based on 16 beat beats.
2) build a “synth” in max/msp i.e. create a series of individual oscillators whose frequencies are determined by multiplying the previous oscillator’s frequency by some set value (for my purposes, the values would always be the ratio of frequencies determined by a given interval between the two notes I wanted, for instance 1.5 if you wanted to generate a perfect fifth up from the previous oscillator, 2 for an octave, 1.2 for a minor third, etc)
3) get each oscillator on two separate channels for some stereo – while recording a piece, I can move either slider up and down, which creates sort of like a real-time user-generated “second-order” rhythm
4) design delay units, apply them to each left/right channel separately – generative (since the delay times don’t change over the course of a piece) 3rd order rhythm
[powerpress]






